上海赣高电力设备有限公司,品质值得信赖!
一:适用范围
HD、HS开启式大电流刀开关适用于交流50Hz,额定电压至1000V,额定工作电流6000A及以下的电力线路中,作为无载操作,隔离电源之用。
二:结构特征
刀开关采用双刀片分布在静触头两侧,用片状弹簧和螺钉锁紧,在电网发生短路时,由于两并联刀片之间以及弹簧片产生的电磁锁紧力,补偿了触头斥力,从而能获得较高的电动稳定性。
刀开关的导电部件,借助玻璃纤维塑料压制成的绝缘底板固定于底座上,具有较高的绝缘能力和机械强度,用玻璃纤维塑料压制成的拉杆具有较高的机械强度,从而保证了刀开关的机械寿命。
三:主要技术参数
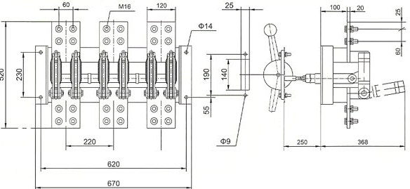
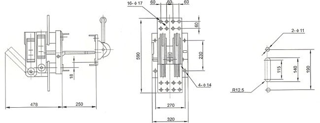
四:外形与安装尺寸
HD-13-200~3000A
|
刀开关型号 |
极数 |
外形尺寸(mm) |
安装尺寸(mm) | |||||||||
|
A |
B |
C |
D |
E |
a |
B |
Φc |
x |
y |
m | ||
|
HD13-2000 |
3极 |
500 |
350 |
215 |
180 |
195 |
180 |
160 |
11 |
50 |
30 |
4-M12 |
|
4极 |
680 |
350 |
215 |
180 |
195 |
360 |
160 |
11 |
50 |
30 |
4-M12 | |
|
HD13-3000 |
3极 |
600 |
395 |
245 |
200 |
195 |
200 |
160 |
13 |
70 |
40 |
4-M16 |
|
4极 |
790 |
395 |
245 |
200 |
195 |
400 |
160 |
13 |
70 |
40 |
4-M16 | |
|
HS13-2000 |
3极 |
500 |
475 |
340 |
180 |
320 |
180 |
260 |
11 |
50 |
30 |
4-M12 |
|
4极 |
680 |
475 |
340 |
180 |
320 |
360 |
260 |
11 |
50 |
30 |
4-M12 | |
|
HS13-3000 |
3极 |
600 |
515 |
350 |
200 |
320 |
200 |
260 |
13 |
70 |
40 |
4-M16 |
|
4极 |
790 |
515 |
350 |
200 |
320 |
400 |
260 |
13 |
70 |
40 |
4-M16 | |


