产品中心

PRODUCT

产品中心

GN24-12KV

如果您有任何问题可以联系我们!
联系我们

电话:400-021-1528

扫一扫,加我为朋友
  • 详细信息
详细信息

上海赣高电力设备有限公司,品质值得信赖!

产品概述

使用环境条件 

海拔1000m; 
周围空气温度:-30℃~+40℃; 
周围环境相对湿度:日平均值不大于95%, 月平均值不大于90%;
无剧烈振动摆动式冲击场所; 
无火灾、爆炸、腐蚀金属、破坏绝缘的有毒气体及导电尘埃的场所;

型号及含义

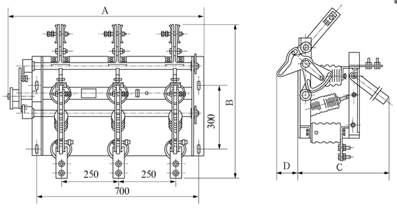
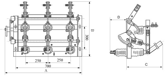
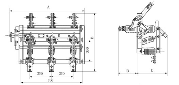
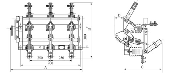
外型及安装尺寸

图1、GN24-12(D)型

图2、GN24-12D(C)型

图3、GN24-12D Ⅱ型

图4、GN24-12D(C)Ⅱ型

相关产品
联系我们
扫一扫,加我为朋友

微信
咨询

扫一扫,加我为朋友
扫一扫,加我为朋友

服务
热线

400-021-1528
服务热线

客服
邮箱

shggdl@163.com
客服邮箱